CZYTELNICY PYTAJĄ - TADEUSZ LIS ODPOWIADA
W piątek 25 stycznia w uroczej, zacisznej restauracyjce "Zielona Papuga" (Wrzeszcz, Uphagena 25, obok kortów) odbyło się spotkanie kilku bliskich współpracowników Subiektywnego Serwisu Informacyjnego: Tadeusza Lisa, Jana Walocha, Toma Daszkiewicza i niżej podpisanego.

Przy obiedzie rozmawiano oczywiscie o sprawach żeglarskich, a najwięcej o szwedzkich jachtach "rynku wtórnego". Sprawa jest rozwojowa. Szwedzi jachty sprzedają ochoczo, ale niestety naszych nabywców mało elegancko przezywają "sępami" (gamar). Wymieniono opinie dotyczące newsa o kaliningradzkiej konferencji.
Biorąc pod uwagę spore zainteresowanie Czytelników SSI poradami silnikowymi, mechanicznymi, elektrycznymi, elektronicznymi udzielanymi przez Tadeusza - postanowiono, że będa one ukazywały się pod cyklicznymi newsami zatytułowanymi tak, jak wyżej.
Pytania i odpowiedzi (teksty) będą publikowane jako komentarze. Ilustracje - pod newsem. Program redakcyjny nie pozwala na zamieszczania ilustracji w komentarzach.
UWAGA: z dniem 29.01.2013 wprowadza się nową procedurę zadawania pytań technicznych.
Publikowane będą wyłącznie odpowiedzi na pytania przesłane mailowe na adres SSI.
Pytania zadane anonimowo pozostaną bez odpowiedzi.
Żyjcie wiecznie !
Don Jorge
-----------------------------------------------------------------------------------
zastępczy regulator alternatora - ilustracja do drugiego komentarza (pytania) z dn. 27.01.2013

_____________________________________________________________________________________
Schemat do komentarza z dnia 04.02.2013

___________________________________________________
ilustracja do komentarza z dnia 10.02.2013
-------------------------------

Ilustracja do komentarza z dnia 11.04.2013
Pytanie: Zainteresował mnie ten miniaturowy palnik. Ale na fotografii (w poprzednim newsie poradnikowym) nie widzę gdzie jest przyłączę do butli. Czy ono jest na dole w uchwycie? Jakie to jest przyłącze?
-----------------------------------
Odpowiedź Tadeusza: Nie jest potrzebne. W rękojeści znajduje się zbiornik ładowany z kupowanych w kioskach butli 250 ml zawierających propan-butan do zapalniczek. Jedno ładowanie starcza na około 35-45 minut pracy. Te palnii występują również w postaci przypominającej ołówek. Są wtedy zaopatrzone w grot i bardzo dobrze nadają się do prostych prac lutowniczych.
Pytanie: Napisał Pan, że można prosto zrobić awaryjny regulator alternatora. Jak to zrobić?
----------------------------
Odpowiedź Tadeusza : Jest to bardzo proste (oczywiście nie jest to regulator automatyczny).
Działamy następująco:
1. Odłączamy uszkodzony regulator, wyprowadzamy na zewnątrz jeden z przewodów doprowadzających wzbudzenie (w zależności od typu alternatora może to być + lub -).
2. Przygotowujemy 1 lub kilka (lepiej kilka) żarówek 12 V 21 W.
3. Ich cokoły łączymy równolegle. Najłatwiej jest to zrobić osadzając je w odpowiednio ukształtowanym pasku blachy (puszka po napojach)
4. Do stopek przylutowujemy (lub zgrzewamy) przewody. Jeśli nie mamy lutownicy lub palnika używamy akumulatora oraz ewentualnie węglowego rdzenia z baterii R20 trzymanego w płaskoszczypach – tak, jak wtedy, gdy na pełnym morzu musimy wypalić otwór w utwardzonej stali – na przykład przy kołkowaniu złamanej goleni samosteru. Można też użyć gwoździa rozgrzanego nad kuchenką.
5. Włączamy żarówki jak na schemacie – poczynając od 1
6. Patrzymy na woltomierz zapięty na zaciski banku baterii oraz ewentualny prąd ładowania (miernik cęgowy) – to nie musi być bardzo dokładny pomiar – napięcie jest ważniejsze.
7. Jeżeli jest ok. – zostawiamy pracujący alternator – ale uwaga: CAŁY CZAS MONITORUJĄC NAPIĘCIE NA ZACISKACH. Gdy zbliży się do 14.7-14.8 V przerywamy ładowanie – inaczej wygotujemy alternator lub doprowadzimy do jego eksplozji.
8. Jeżeli początkowe napięcie było za niskie, aby wymusić wysoki prąd ładowania dołączamy po kolei 2 oraz 3 żarówkę (równolegle – patrz rysunek). Warunkiem jest to, że jesteśmy pewni dobrego chłodzenia alternatora. Jeżeli nie – pozostajemy przy 1 żarówce
9. Jeżeli użyjemy żarówek o różnych mocach (standardowo na jachcie mammy 3, 5 10 oraz 21 W) łącząc je równolegle i wybierając różne kombinacje dostaniemy bardziej precyzyjną, ręczną regulację.
10. Czy wyjaśniłem to dostatecznie prost
o? Pozdrawiam. T.L.
Pytanie: Panie Tadeuszu, dziękuję Wam za porady. Mam pytanie do ostatniego postu. Jaki prąd powinien płynąć przez uzwojenie wzbudzenia? Ile powinno być żarówek 21 W?
--------------------------------------
Odpowiedź Tadeusza: Standardowo prąd ten wynosi około 4 A. Możemy przyjąć, że po nagrzaniu przez żarówkę 21W przy napięciu 12 V płynie (zgodnie z prawem Ohma) 21/12 = 1.75 A. Przy równoległym połączeniu 2 mamy 2 x 1.75 = 3.5 A (proszę to policzyć przy napięciu 13.6).
Zatem tak zasilone wzbudzenie sprawi, że nasz alternator powinien w rozsądnym czasie nakarmić nasz wygłodniały bank hotelowy. Jeżeli bank jest większy (np. 400-500 Ah) – a alternator dobrze chłodzony – możemy dołożyć trzecią żarówkę otrzymując 4,75 A – ale więcej już nie. Pomiary, które wykonywałem w czasie rejsów pokazują, że ze względu na temperaturę alternatora raczej otworzyłbym klapę komory silnikowej, żeby zapewnić dobre chłodzenie. Dla przypomnienia – napięcie mierzymy nie na zaciskach alternatora – ale na zaciskach akumulatora. Zwłaszcza, jeśli banki są separowane diodami – o czym w następnym artykule.
T.
Pragne serdecznie podziękować Tadeuszowi Lisowi za cykl artykułów o silnikach. Grzebiąc w pamięci przypomniałem sobie, że w latach
osiemdziesiątych, w czasach powszechnego braku wszystkiego, na łamach miesięcznika "Radioelektronik" były publikowane schematy
Pozdrawiam
W czasie mojego ostatniego pobytu w Ustce, niezwykle utalentowany elektronik Krzysztof Puton (opiekował się przygotowaniem części elektrycznej "Holly" przed Jester Challenges) pokazał mi prototyp zachwycającego swoją prostotą i taniością regulatora napięcia do alternatora specjalnie dedykowanego na jacht.
Konstrukcja ma dokładnie te funkcje, które powinien mieć idealny regulator jachtowy:
a. Możliwość pomiaru napięcia bezpośrednio na zaciskach akumulatora (idealne przy separatorach diodowych)
b. Możliwość ustawienia ręcznego napięcia ładowania w dość szerokim zakresie
c. Możliwość chwilowego odłączenia ładowania dla zabezpieczenia akumulatorów lub odciążenia silnika
Teraz pracuje nad uzupełnieniem cudownej kosteczki o prostą funkcję RAMP, która będzie załączała ładowanie dopiero po osiągnięciu przez silnik odpowiedniej mocy – tak, aby silny akumulator nie upośledził możliwości rozruchu (ręcznego) małego silniczka wysokoprężnego, przy założeniu, że na alternator rzuciły się wygłodniałe jak sępy, prawie całkowicie wygłodniałem akumulatory.
Mam nadzieję, że autorska publikacja wkrótce.
Pozdrawiam Klan SSI.
T.L.
Tak, zdecydowanie warto. Mówimy o alternatorach nazywanych w żargonie HOA (Hot Output Alternator). Musimy mieć w pamięci dwie cechy, które odróżniają te instalacje od typowych alternatorów samochodowych.
Po pierwsze przełożenie na jachcie wynosi zazwyczaj 1:3 lub 1:3.5 (w samochodzie 1: 1.7 1: 2.2) w celu umożliwienia ładowania dużym prądem akumulatorów na kotwicowisku, przy obrotach silnika rzędu 950-1150 obrotów. W HOA prąd wzbudzenie jest istotnie większy i często wynosi 6-11 A (ten ostatni dla alternatorów oznaczanych large frame – w USA KKK). Przy podaniu takiego prądu ciężko jest rozkręcić taki alternator dłonią.
Typowe silniki benzynowe projektujemy tak, aby uruchamiały się pewnie przy 50-100 obr/min., natomiast wysokoprężne w granicach 120-250 obr. min. (mniejsze pojemności – a więc silniki jachtowe mają zazwyczaj większe prędkości). Jeżeli przyjmiemy dla silnika wysokoprężnego przełożenie 3.5 i pożądane 250 obrotów to mamy 875 obrotów na wałku alternatora. Skojarzone z dużym prądem wzbudzenia stanowi to istotne obciążenie – zwłaszcza przy rozruchu ręcznym.
T
------------------------
PS. Robiłem doświadczenia z rozruchem ręcznym silnika chłodzonego powietrzem KM187F. Przy włączonym wzbudzeniu rozruch linką był niemożliwy przez jedną osobę. Alternator Bosch 150 A, 14,4V. Przełożenie 1:3.1
Witam ponownie Panie Tadeuszu.
Zastanawiam się nad regulatorem prądu do ładowania akumulatorów - wymyśliłem sobie układ jak na dołączonym schemacie. Jest to chyba najprostsze rozwiązanie problemu jakie mi przychodzi do głowy.
Najciekawsze jest to, że będzie je można wykorzystać również w rozwiązaniach HHO.
Regulator - BMS (Battery Management System) będzie nadzorował napięcia, prąd i temperaturę baterii (Rth) oraz będzie tak regulował pr ądem wzbudzenia alternatora, aby utrzymał odpowiedni ustawiony prąd ładowania.
Mając wszystkie parametry baterii będzie można obliczyć i pokazywać (kontrolowa ) na bieżąco energię zgromadzoną w akumulatorze. Algorytm sterowania prądem i RGR'em (Rozłącznikiem Głębokiego Rozładowania) jest do ustalenia.
Takie rozwiązanie wydaje mi się bardzo funkcjonalne. Powinno na tyle dobrze zabezpieczyć akumulator, że sytuacje, w kórych zostanie on uszkodzony, praktycznie zostaną wyeliminowane.
Co Pan o tym myśli?
--
Pozdrawiam
Jerzy Hetmański
Witaj Jerzy!
Właśnie przeczytałem komentarz Jerzego Hetmańskiego i mimo tego, że jego
pomysł uważam, że świetny dopadł mnie wrodzony sceptycyzm i kazał zastanowić
się nad ludową prawdą: lepsze wrogiem dobrego ;-).
Każdy technik lub inżynier gdzieś na swojej ścieżce zawodowej spotkał się z
problemem niezawdoności. Dla humanistów dlaczego coś się psuje częściej niż
inne i jak temu zaradzić. Dla uproszczenia wytłumaczę, że im system bardziej
skomplikowany, im więcej funkcji systemu zależy od działania jego jednego
elementu tym szansa, ze coś się zepsuje większa. Co ważne im system bardziej
skomplikowany tym jego naprawa trudniejsza, bo...? Do naprawy - lokalizacji
uszkodzenia potrzebna o wiele większa wiedza i specjalistyczne
oprzyrządowanie. Zaproponowany przez Jerzego sterownik-kontroler jest dobrym
rozwiązaniem jednak każdy rozważający modernizację swojego układu ładowania
akumulatorów musi odpowiedzieć sobie na pytanie czy będąc zdanym tylko na
siebie jestem wstanie usunąć usterkę? Tak dla przykładu podmienię cały
sterownik, zabezpieczyłem się, a co? lecz układ i tak nie działa bo
przyczyną jest np. uszkodzenie termistora mierzącego temperaturę
akumulatora. Czy akceptuję takie ryzyko? Czy zyski wynikające z zastosowania
skomplikowanego układu przewyższają zagrożenia? Takie pytania musi każdy
armator zadać sobie sam i sam musi znaleźć na nie odpowiedź bo nie zawsze
lepsze jest wrogiem dobrego.
Pozdrawiam
Jacek :-)
Mail Kolegi Jacka uważam z kluczowy, do dyskusji o pożądanej cesze łagodnej degradacji systemów jachtowych w warunkach ekstremalnych. Jestem teraz dość zajęty i nie możemy z Kolegą Jurkiem Hetmańskim rozwinąć tego tematu. Ale proszę zwrócić uwagę, jak łatwo będzie wypiąć cały układ BMS i wrócić do prostego ładowania baterii akumulatorów wprost z alternatora. Taka funkcjonalność jest przewidziana w docelowej wersji systemu.
Napiszemy o tym więcej. Pozdrawiam.
T.L.
PS. Na moich własnych łódkach nigdy nie doświadczałem poważniejszych awarii instalacji. Ale bardzo mnie to trapiło na łódkach fabrycznych, czarterowanych. W zasadzie jedynym wyjątkiem był Hallberg-Rassy.
Chciałbym przekazać Panu krótki opis koncepcji BMS'a, który w sposób trochę niezamierzony, przy wydatnej pomocy Pana Tadeusza Lisa, zaistniał
na SSI (http://www.kulinski.navsim.pl/art.php?id=2142&page=0). Mam nadzieję, że dołączony opis będzie zaczątkiem dyskusji lub raczej czegoś
na kształt burzy mózgów, w efekcie której powstaną założenia do systemu nadzoru nad bateriami, zaspakajającego większość lub przynajmniej sporą
część miłośników jachtów. Będzie to dla mnie punkt wyjścia do konstrukcji takiego BMS'a, którą zamierzam wykonać i dać do przetestowania
--
Pozdrawiam
Jerzy Hetmański
PS. Wyprzedzając możliwe nieporozumienia śpieszę donieść, że jeżeli chodzi o jachty to jestem kompletnym laikiem. Ale niebeznadziejnym. To znaczy
parę razy w życiu widziałem jacht z bliska. Z odległości kilku metrów.
Krótki opis układu zarządzania energią akumulatorów - BMS
Zaproponowany układ opiera się na moich doświadczeniach związanych z podobnymi rozwiązaniami stosowanymi w systemach zasilania awaryjnego (systemy 48V) do central telefonicznych.
Na jachcie naszym obiektem zainteresowania jest zestaw kilku mniejszych lub jeden duży akumulator trakcyjny, ponieważ takie powinny być użyte w zastosowaniu hotelowym oraz dodatkowy, separowany akumulator rozruchowy. Należy im zapewnić odpowiedni stopień naładowania oraz ochronić przed przeładowaniem.
Aby tego dokonać system BMS (Battery Management System) musi dostać informację o prądzie płynącym aktualnie do lub z akumulatora, napięciu na jego zaciskach, napięciu na szynie zbiorczej (później wyjaśnię w jakim celu) oraz temperaturę akumulatora(ów) – gdyż zakładamy, że jacht będzie żeglował zarówno po zimnym Bałtyku, jak i po Morzu Śródziemnym lub Karaibach..
Przy pomocy pomiaru prądu możemy wypracować (wyliczyć) jaki prąd musimy wpuścić do uzwojenia wzbudzenia, aby utrzymać odpowiedni prąd ładowania (dla bezpieczeństwa instalacji pozostawimy oryginalny regulator alternatora, który będzie w czasie pracy sterownika odłączony).
Całkując prąd ładowania po czasie, czyli sumując go w sposób ciągły, mamy informację o ładunku zgromadzonym w akumulatorze. Taka sytuacja, czyli ładowanie, będzie się utrzymywać do póty, do póki napięcie na akumulatorze nie osiągnie zadanej wartości czyli ok. 14.4…14,7V lub nie przekroczy dopuszczalnej temperatury (np. 40ºC). Tą fazę nazywamy ładowaniem forsującym (bulk load) – patrz wcześniejsze artykuły Kolegi Tadeusza Lisa: http://www.kulinski.navsim.pl/art.php?id=2128&page=15 . Czyli szybkim wpompowaniem ładunku do akumulatora. W czasie ładowania forsującego regulator nie powinien przekraczać maksymalnego prądu ładowania dla akumulatora (będzie to parametr ustawiany na panelu). Wartość tego prądu powinna być napisana na akumulatorze lub będzie znajdować się w danych katalogowych akumulatora – jeżeli taki danych nie ma, wskazówki znajdziecie we wspomnianych wcześniej artykułach dra Lisa.
Po tej czynności akumulator jest właściwie naładowany i alternator powinien zmniejszyć łagodnie napięcie do 13.6V czyli tak zwanego napięcia ładowania buforowego (absorbption i float) . Jest to napięcie, które ma za zadanie skompensować prąd samorozładowania. W niektórych systemach stosuje się jeszcze korekcję temperaturową napięcia buforowego. Potrafi ona wydłużyć żywotność akumulatorów o ok. 10…20%, ale ma to sens tylko w systemach, gdzie akumulatory doładowywane są na bieżąco czyli są włączone równolegle do zestawu zasilaczy sieciowych np. w centralach telefonicznych.
W naszym rozwiązaniu nie jest to, aż tak istotne, aczkolwiek nic nie stoi na przeszkodzie, aby je zastosować – ma to sens jeśli na jachcie w słonecznym klimacie będzie zainstalowany panel słoneczny większej mocy (80-120 W+).
Oczywiście kontrola ładunku może się odbywać w czasie ładowania i rozładowania. Projektując takie rozwiązania zazwyczaj w systemach zasilania stosuje dwa alarmy związane z napięciem akumulatora. Tak zwany alarm nie pilny (NUA), gdy napięcie na akumulatorze spadało poniżej11,5V oraz alarm pilny (UA), gdy napięcie osiągnęło wartość ok. 11V oraz trzeci poziom napięcia – napięcie odcięcia 10,5V. Czyli napięcie poniżej, którego powinien być wyłączony stycznik RGR, ratując tym samym akumulator przed zniszczeniem. Zadziałanie stycznika będzie mogło być zablokowane (z odpowiedniego poziomu menu w panelu) w sytuacji awaryjnej na przykład tonięcia jachtu, aby umożliwić działanie do końca oświetlenia LED oraz radiostacji niezbędnej dla goniometru (pelengatora) ewentualnego śmigłowca lub statku SAR.
Wszystkie te napięcia alarmowe mogą być ustawiane w dowolny czyli mniej lub bardziej rozsądny sposób. W trakcie pisania uświadomiłem sobie że BMS musi mieć jeszcze jedno wejście „ROZRUCH”, które powinno umożliwić załączenie awaryjne stycznika RGR mimo niskiego napięcia, aby umożliwić odpalenie silnika.
Jak widać na schemacie blokowym akumulator jest podłączony do szyny za pośrednictwem bezpiecznika, którego konieczność zastosowania nie wymaga tłumaczenia (patrz schemat zabezpieczeń kaskadowych we wzorcowej instalacji opisanej w artykule Kolegi Tadeusza tutaj: http://www.kulinski.navsim.pl/art.php?id=2112&page=30 .
Właściwie każdy akumulator (jeśli jest ich więcej) powinien być podłączony przez oddzielny bezpiecznik. System BMS powinien „wiedzieć”, że bezpiecznik baterii uległ uszkodzeniu. Tu jest pewien problem ponieważ napięcie na szynie, które pochodzi z alternatora może być na tym samym poziomie, co napięcie akumulatora mimo spalonego bezpiecznika. To utrudnia detekcję jego uszkodzenia. Dla tego system BMS nadzoruje napięcie na bezpieczniku i gdy wartość bezwzględna tego napięcia osiągnie ok. 100…200mV sygnalizuje uszkodzenie bezpiecznika bateryjnego. Aby system był elegancki, powinien być też nadzorowany stan bezpieczników w poszczególnych gałęziach odbiorników, co jest już o wiele prostsze do wykonania – jak również funkcje samodiagnostyki poszczególnych elementów pomiarowych – na przykład układu pomiaru temperatury lub napięcia. Aby uczynić rysunek bardziej przejrzystym nie uwzględniłem tego w tej wersji schematu blokowego.
Zapraszam Kolegów do dyskusji na temat tego, jakie idealne funkcje powinien mieć układ BMS – na podstawie Ich doświadczeń rejsowych.
Jerzy Hetmański
Właśnie przeczytałem komentarz Jurka Hetmańskiego, ściskam grabę koledze łącznościowcowi ;-)
Co mnie się tak szybko nasunęło po ;przeczytaniu artykułu:
1. kontrola bezpieczników. Jednakowe napięcia na szynie i akumulatorze nie
utrzymają się zbyt długo więc co najgorsze informacja o uszkodzeniu
bezpiecznika się troszkę "spóźni". Chyba, że zaprzęgniemy do kontroli
bezpieczniak prąd przemienny, ale to dodatkowa komplikacja.
2. ROZRUCH Zastanawiam się czy przy tak głęboko rozładowanych akumulatorach
rozruch silnika będzie w ogóle możliwy, tu potrzeba opinii praktyków.
3. "łagodny start" alternatora. Zapewne Jerzy zapomniał o tym napisać więc
domyślam się, że charakterystyka wzbudzania alternatora będzie tak dobrana
aby możliwy był rozruch "ręczny" silnika.
Tyle na szybko.
Życząc sukcesu
Pozdrawiam Jacek :-)
Sterownik BMS powinien móc ładować dwie sekcje akumulatorów o różnych charakterystykach (rozruchowego i hotelowego).
Pomysł: można by to zrobić tak, aby w przerwie impulsu akumulatora 1 ładować akumulator 2.
Taki zmodyfikowany PWM.
Kolego Jurku H!
Co o tym sądzi konstruktor?
Czy znamy przybliżony koszt takiego urządzenia (nie chodzi mi o cenę rynkową, tylko cenę Czytelników SSI)?
Pozdrawiam
T.L.
Witam pierwszego Burz-mena Jacka.
Od-ściskuję się równie mocno koledze.
Dziękuję za pierwsze uwagi.
Oto moje odpowiedzi:
ad. 1) problem który opisałem ma znaczenie w przypadku bardzo dużych
systemów bateryjnych buforujących zasilacze, a w tym konkretnym
zastosowaniu prawdopodobnie nie będzie miał znaczenia. Wspomniałem o nim
chyba trochę na wyrost. Po krótkim zastanowieniu uświadomiłem sobie, że
alternator daje napięcie lekko pulsujące. Czyli problem się powinien sam
rozwiązać.
ad.2) co do rozruchu to uświadomiłem sobie, że rozrusznik i tak będzie
chyba podpięty przed RGR'm (czyli Rozłącznikiem Głębokiego
Rozładowania). Mimo wszystko, wydaje mi się, że musi być taka możliwość
jako ostatnia deska ratunku, po której zostaje już tylko korba o ile
używa się takich rzeczy na jachcie.
ad.3) "soft start" jest funkcją związaną tylko z algorytmem, a to
dotyczy wyłącznie programu i na pewno będzie zaimplementowany.
Zapomniałem wspomnieć (bo było to dla mnie oczywiste), że będzie tam użyty mikroprocesor, a nawet dwa małe względnie tanie. Jak napisałem w
opisie będzie on mierzył napięcia, prąd i temperatury. Na podstawie pomiarów będzie sobie wyliczał jak ma regulować prąd wzbudzenia.
Wszystkie parametry progowe, czyli poziomy napięć i temperatur alarmowych, prądu regulacji itp. będą ustawialne. Dobrze by było
zastanowić się jakie parametry będą nam potrzebne lub wręcz niezbędne. Na wyświetlaczu na pewno będzie wyświetlane napięcie, prąd, temperatura.
Będzie można mieć wgląd w energię zgromadzoną w akumulatorze. Co do energii to wyświetlać ją w [Ah] czy może w [kWh]?
Co jest bardziej sugestywne?
Cały algorytm ładowania jest do ustalenia (zapewne skorzystam z jakiegoś wzorca np. ten, który jest przedstawiony w jednym z artykułów kolegi
Tadeusza).
Oczywiście, w stanach awaryjnych będzie można odłączyć ręcznie BMS'a iprzyłączyć oryginalny regulator.
W tej chwili przydałyby się głosy kolegów, którzy mieli jakieś ciekawe lub nie typowe przypadki z życia wzięte. Oczywiście mam na myśli mniej
lub bardziej udane pożycie z akumulatorem, a nawet (o zgrozo!) z kilkoma na raz w trójkącie z alternatorem.
Pozdrawiam
Jurek
Mówiąc szczerze, to znaczy jak Burz-men Burz-menowi, o przełączaniu z
dużą częstotliwością obciążenia alternatora należy zapomnieć. Wynika to
z czystej fizyki. Alternator to cewka. Im wyższą częstotliwością się ją
traktuje, tym ma wyższą impedancję wewnętrzną czyli może oddać coraz to
niższy prąd, a przy okazji bardziej się grzeje (rdzeń z żelaza; prądy
wirowe i takie tam...). Pomysł kolegi Tadeusza jest bardzo sprytny, ale
niestety nie wykonalny.
Obawiam się, że na raz z jednego alternatora możemy ładować tylko jeden
akumulator. No chyba, że zainstalujemy dwa takie same akumulatory -
rozruchowy + hotelowy i będziemy je ładować jednocześnie. Lub
zainstalujemy dwa alternatory i przystosuję nasz BMS do obsługi dwóch
baterii na raz.
Co do ceny to w tym momencie można ją tylko oszacować z pewnym
przybliżeniem. Wydaje mi się, że uda się to wykonać w cenie ok. 400 do
600 zł. Nie wiem jeszcze o ile i w którą stronę będę musiał zmienić
szacunki w związku z uwzględnieniem, że ma to być wykonane przynajmniej
w IP65. Na pewno jeśli chodzi o panel LCD.
Nie wiem w jaki sposób mam wyprowadzić i wprowadzić sygnały do/z BMS'a.
Czy mają to być złącza hermetyczne czy wystarczą zaciski śrubowe lub
same zarobione kable do podłączenia lub zaciśnięcia? Trzeba pamiętać, że
złącza i obudowy IP65, IP66 cenowo są mało atrakcyjne. Przy
zastosowaniu wszystkiego z górnej półki cena końcowa może drastycznie
przekroczyć 600PLN. Ale tego to chyba nie trzeba tłumaczyć. Postaram się
znaleźć rozsądne wyjście cenowe.
--
Pozdrawiam
Jurek
Mówiąc szczerze, to znaczy jak Burz-men Burz-menowi, o przełączaniu z dużą częstotliwością obciążenia alternatora należy zapomnieć.
Przełączanie z dużą częstotliwością ani przez chwilę nie przyszło mi do głowy. Wręcz przeciwnie. Zakładałem, że przełączanie będzie z częstotliwością powiedzmy 0,05Hz – gdyż to daje idealną pracę każdego z akumulatorów – zwłaszcza przy ładowaniu dużym prądem w początkowej fazie (odgazowanie i dyfuzja w płytach – zwłaszcza akumulatorów głębokiego rozładowania.
Wydawało mi się, że wystarczy wyposażyć BMS na wyjściu w prosty układ kluczujący i jedynie dobierać odpowiednie napięcia odcięcia, w zależności wytworzyć od typu akumulatora.
Zła intuicja? Oczywiście zaciski wyjściowe alternatora zabezpieczamy odpowiednio przed przepięciami (opisałem to już wcześniej, a w chwili przełączania zmniejszamy istotnie prąd wzbudzenia).
Pozdrawiam.
T
PS Pozostałe funkcje wydają mi się bardzo atrakcyjne – jeśli się uda wytworzyć prototyp do wiosny, to chętnie go kupię i przetestuje na "Donaldzie".
T
Nawiązując do uszczegółowienia pomysłu kolegi Tadeusza, muszę
powiedzieć, że z taką częstotliwością to faktycznie da się zrobić.
Regulator spokojnie za tym nadąży. Będzie tylko mały problem z
przełączaniem. Trzeba będzie to zrobić tranzystorami MOSFET. To niestety
komplikuje i podraża układ sterowania. Generuje też konieczność
zastosowania aluminiowej obudowy, która odprowadzi ciepło z tych
tranzystorów mocy. W związku z tym potrzebna mi jest informacja o tym
jaki maksymalny prąd ładowania mam przełączać?
Tak się zastanawiam, że z stosowania przełączania akumulatorów (czyli
symultanicznego ładowania) mamy tylko jedną korzyść:
- przerwy w ładowaniu akumulatora dają mu „odetchnąć” i odgazować się
lepiej, a jest to potrzebne głównie w pierwszej fazie ładowania.
A z wad mamy:
- znaczne zwiększenie kosztów urządzenia; dwa dodatkowe MOSFET’y dużej
mocy wraz ze sterowaniem i radiatorami lub dwa duże styczniki
- znaczną komplikację struktury ładowarki; konieczność wprowadzenia i
wyprowadzenia w „rozsądny” sposób dużych prądów na płytkę PCB, przy
zastosowaniu styczników może to nie być konieczne
- znaczną komplikację algorytmów ładowania; to też jest nie bez
znaczenia bo utrudnia testy i znalezienie ewentualnych błędów.
Czasu ładowania i tak to nie skróci.
Wydaje mi się, że optymalnym funkcjonalnie i cenowo rozwiązaniem, będzie
jednak ładowanie tylko jednego akumulatora. W pamięci regulatora będzie
zapisana charakterystyka dwóch akumulatorów. Będą one wykrywane po
stanie przełącznika ładowania baterii. Proces ładowania będzie wyglądał
tak: trzeba będzie wskazać (przełączyć) przełącznikiem ładowania baterii
(który i tak musi być zastosowany w celu prostego powrotu do układu
klasycznego w razie uszkodzenia regulatora) akumulator, który chcemy
ładować jako pierwszy lub jedyny (zapewne najczęściej będzie to
akumulator, na którym skończyliśmy ładowanie ostatnio). Po zakończeniu
ładowania regulator będzie piszczał i mrugał podświetleniem co powinno
wymusić odpowiednią reakcje osoby stojącej na wachcie. Osoba taka albo
powinna wyłączyć silnik, co wykryje regulator i przejdzie w stan
kontroli rozładowania, albo ręcznie przełączyć przełącznik ładowania co
również wykryje regulator i rozpocznie ładowanie drugiego akumulatora.
Co na to kolega Tadeusz?
--
Pozdrawiam
HeJ
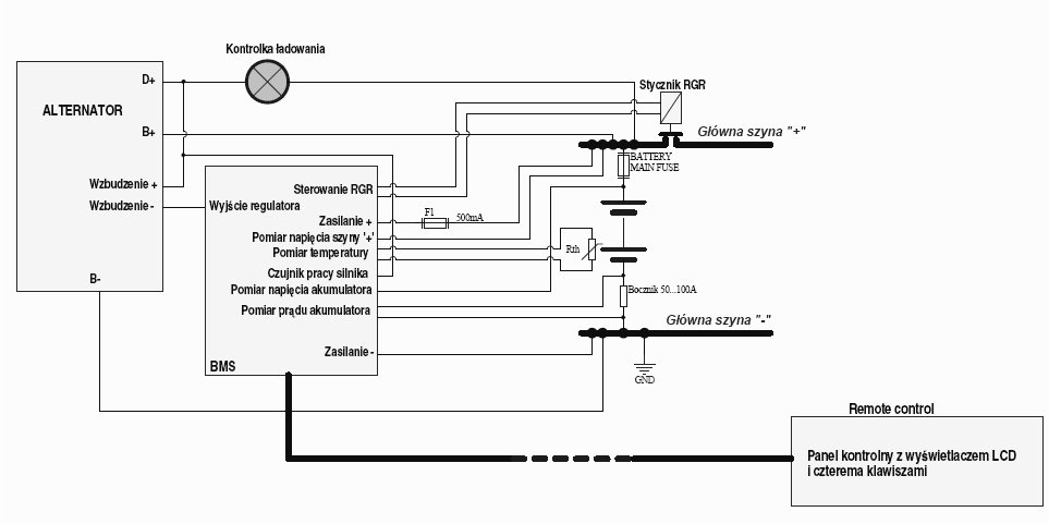
Witam wszystkich.
Przesyłam pełniejszy schemat blokowy z uwzględnieniem dwóch gałęzi
baterii oraz dwóch zespołów odbiorów. Jest to koncepcja, która mi się
wykluła po ostatnich dyskusjach. Oczywiście nie trzeba tego wszystkiego,
aż tak montować. RGR lub wejścia kontroli stanu bezpieczników
wyjściowych mogą pozostać nie podłączone. To jest do wyboru przy montażu
całości.
SW_BAT - to główny przełącznik baterii (może być trzy-pozycyjny,
BAT1-Neutral-BAT2).
SW_REG - to wybór regulatora między wbudowanym, a zewnętrznym.
--
Pozdrawiam
HeJ
------------------------------------------
ilustracja znajduje się pod newsem
Na wstępie przepraszam, że dopiero teraz się ustosunkowuje do tej
wypowiedzi. Jakoś mi ona umknęła wcześniej.
Kolega Jacek pisze:
"Każdy technik lub inżynier gdzieś na swojej ścieżce zawodowej spotkał
się z problemem niezawdoności."
Powiem więcej, to jest podstawowa sprawa dla kogoś takiego jak ja, który
od ćwierć wieku zajmuje się konstruowaniem elektroniki. Bez tego zjadły
by mnie naprawy gwarancyjne i pogwarancyjne. Niestety w życiu jest tak,
że nie zawsze urządzenie składające się z 4 części rzadziej się psuje
niż takie co składa się z 24 części. Wszystko zależy od tego jak ono
zostało zaprojektowane i wykonane.
Dalej kolega Jacek pisze:
"Tak dla przykładu podmienię cały sterownik, zabezpieczyłem się, a co?
lecz układ i tak nie działa bo przyczyną jest np. uszkodzenie ermistora
mierzącego temperaturę akumulatora. Czy akceptuję takie ryzyko?"
Ten regulator będzie miał opcję samo diagnostyki. Oczywiście w pewnym
zakresie. Pełna i dokładna diagnostyka była by bardzo droga i strasznie
skomplikowała by układ. Ale na pewno wykryje uszkodzenie termistora czy
układu wejściowego pomiaru napięcia lub prądu. Wszystko zależy od tego
czy czegoś nie przeoczę na etapie projektowania.
Jeżeli chodzi o ryzyko to właściwie jest zminimalizowane, ponieważ w
każdej chwili, w bardzo prosty sposób, można powrócić do starego
klasycznego regulatora (tu odsyłam do ostatniego schematu).
--
Pozdrawiam
HeJ
* złącza "hermetyczne" - może zrezygnować na rzecz większej hermetycznej
obudowy a kable przepuszczać przez zwykłe dławiki? Zaletą oprócz kosztów
będzie łatwość wykonania w warunkach domowych (łączenie na zwykłej listwie
zaciskowej) A kto nie spierniczył lutowania wtyku niech pierwszy rzuci
pęsetą ;-) ;
* wyświetlacz - a może zastąpić go kilkoma diodami elektroluminescencyjnymi?
Sygnalizowały by tylko stany a wskaźnik naładowania akumulatora nie musi
posiadać rozdzielczość jednego do % czy woltomierz do 1V np. na 4 diodach
można sygnalizować 7 stanów. Czy to jest wystarczająca rozdzielczość?;
* ładowania kilku akumulatorów - oprócz banalnego kolejnego przełączania
akumulatorów, np. według schematu: rozruchowy, nawigacyjny, hotelowy
zastosować ładowanie akumulatorów poprzez przetwornicę DC/DC? Daje to
możliwość zastosowania rożnych akumulatorów.
----------------------------------
Sytuacja raczej niezbyt często występująca w naturze ale możliwa. Rozwiązanie wydaje się proste wystarczy podać odpowiedni
-------------------------------------
Tyle z moich przemyśleń, mam nadzieję, że będą przydatne.
Pozdrawiam
Ad. „złącza hermetyczne” – szczerze mówiąc to od początku zamierzałem
wsadzić tą całą elektronikę w hermetyczną obudowę z dławicami. Ale nie
sugerując niczego chciałem się zorientować jakie są Wasze preferencje,
zwłaszcza dotyczące złącz śrubowych na płytce.
Ad. „wyświetlacz” – jeśli chodzi o wyświetlacz to będę się upierał przy
swoim. Wyświetlacz LCD daje znacznie większe możliwości niż diody LED.
Przy pomocy wyświetlacza będzie można wprowadzić charakterystyki
ładowania akumulatorów po prostu z klawiatury na wyświetlaczu. Będzie
można zmienić dowolną nastawę. W przypadku diod, jeśli będziemy chcieli
cokolwiek zmienić, trzeba będzie podłączyć laptopa. Oczywiście laptop
będzie i tak przydatny bo wygodniej z niego konfigurować cały regulator
(pierwsza dziewicza konfiguracja w zaciszu przedziału silnikowego lub w
domu na biurku) przy pomocy programu konfiguracyjnego (który napiszę i
udostępnię wszystkim chętnym), ale gdy będzie taka potrzeba, a nie
będzie komputera pod ręką, to z diodami niewiele da się zrobić. Nie wiem
czy to zostało zrozumiane, ale ja planowałem umieszczenie panelu z
wyświetlaczem w zupełnie innym miejscu niż regulator - "remote control".
Będzie on umieszczony gdzieś przy kole sterowym, a nie przy
akumulatorach. Transmisja między regulatorem, a panelem będzie się
odbywać za pośrednictwem kabla czterożyłowego w ekranie o średnicy ok.
5…6mm.
Ad. „ładowania kilku akumulatorów” – no tutaj to kolega Jacek „pojechał
po bandzie”. W jednym mailu pisze o niezawodności i sugeruje zbyt dużą
komplikację układu, a w drugim proponuje wstawienie siłowni (nie chodzi
o tą z hantlami i atlasem, a o siłownię dostarczającą mocy do ładowania)
do przedziału akumulatorów. Oczywiście można tak zrobić, ale koszty
takiego rozwiązania będą się zaczynać od 2000zł wzwyż. Obawiam się, że
chętnych na to będzie raczej niewielu.
Ad. „jeszcze jedno” – w tym samym momencie będzie ładowany tylko jeden
akumulator. W związku z tym reszta akumulatorów będzie mogła być
rozładowywana lub ładowana w dowolny inny sposób.
Widzę, że układ zaczyna się rozbudowywać. Z początku myślałem, że chodzi
o jeden akumulator. Potem się okazało, że będą to dwa akumulatory, a
teraz słyszę o trzech. Ciekawe na ilu się skończy? :)
Na koniec chciałbym powiedzieć, że dobrze by było zakończyć tę burzę np
do końca tego tygodnia, abym mógł zacząć kończyć projekt elektroniczny
całości. Ustawmy sobie jakiś "deadline" na początek przyszłego tygodnia.
Czyli niedziela - poniedziałek. Po tym zrobię podsumowanie dotyczące
założeń i zacznę kończyć projekt.
--
Pozdrawiam
HeJ
Witam po raz kolejny Burzmenów. Chciałem jeszcze raz zakłócić Wasz spokój.
Oto złożenia do układu BMS do ładowania akumulatorów na jachtach.
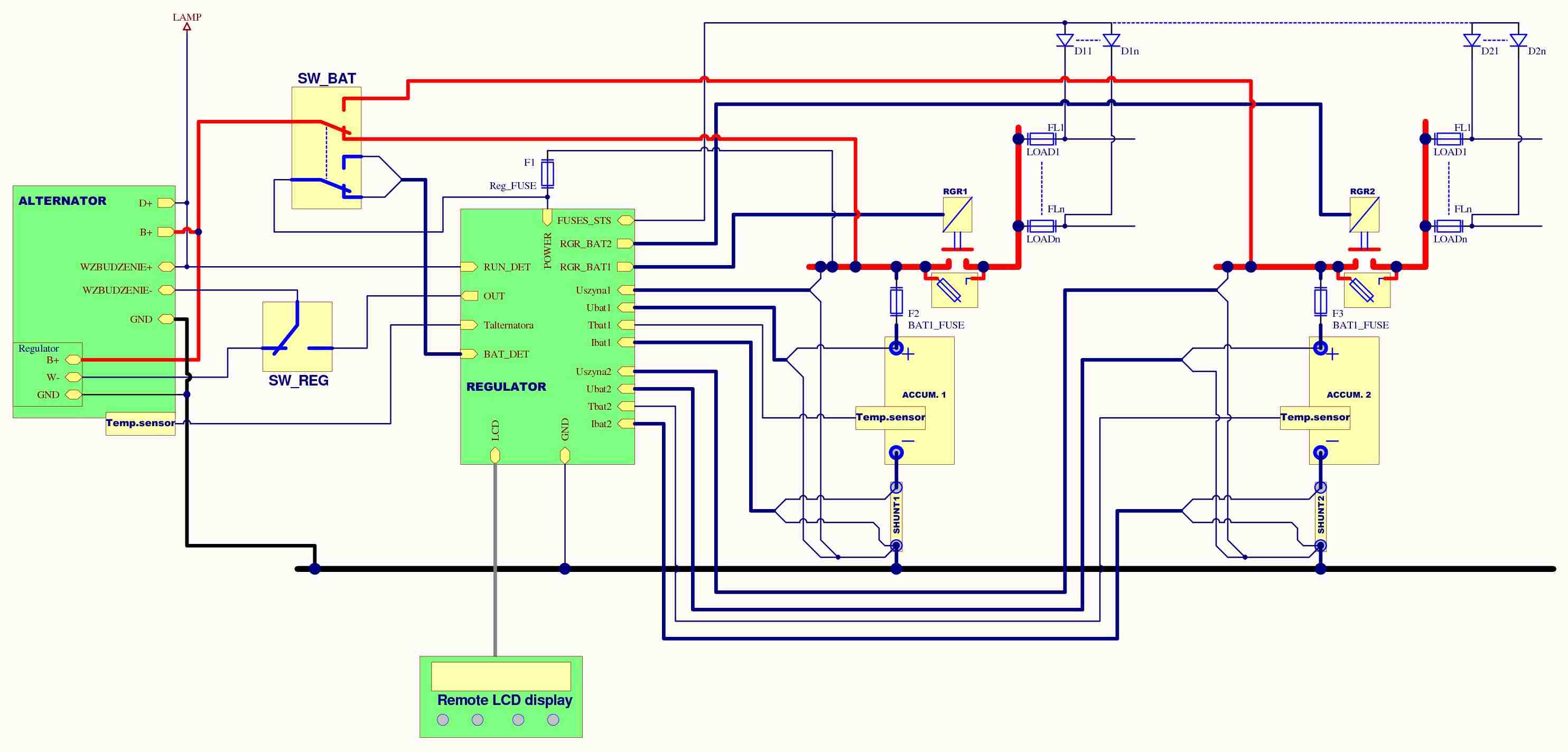
* założenia związane z konstrukcją elektryczną, czyli te których nie da się już zmienić bez przeprojektowywania całości:
1) Pomiar prądów w trzech gałęziach baterii
2) Pomiar temperatury trzech baterii
3) Pomiar napięć na trzech szynach zbiorczych
4) Pomiar napięć na trzech bateriach
5) Detekcja uruchomienia alternatora
6) Pomiar temperatury alternatora
7) Kontrola stanu bezpieczników obciążenia
8) Sterowanie trzema RGR’ami
9) Sterowanie prądem wzbudzenia jednego alternatora
10) Wejścia przełączające baterie (wybór jednej z trzech baterii)
11) Zdalny panel sterujący
.
* założenia związane z funkcjonalnością programu, czyli te które można kształtować wedle woli; są ograniczone jedynie możliwościami
obliczeniowymi i fizycznymi procesora:
1) Możliwość ładowania stałym prądem
2) Kontrola stanu bezpieczników bateryjnych
3) Kompensacja temperaturowa napięcia buforowego
4) Możliwość ładowania trzech akumulatorów o różnych pojemnościach i
charakterystykach
5) Uwzględnienie zjawiska Peukert’a
Te trzy gałęzie pomiarowe dość mocno skomplikowały cały schemat wewnętrznych układów pomiarowych. Zobaczymy jak to wpłynie na wielkość
płytki urządzenia i na jego cenę.
--
Pozdrawiam
HeJ
Witam wszystkich burzman'ów i zainteresowanych tematem.
Długo nie dawałem znaku życia, ale musiałem poczekać na wykonanie płytki
PCB co niestety trwało w sumie prawie 3 tygodnie. Płytkę już zmontowałem
prawie całą. Jest na tyle zmontowana, że można ją uruchamiać i zacząć
pisać oprogramowanie. Do wiadomości dołączam fotografie płytki (patrz news)
regulatora zamontowanej w obudowie, która ma wymiary 171 x 121 x 55mm.
Jak widać na zdjęciach, jest to obudowa IP64 z przeźroczystym wieczkiem
i jest sfotografowana "do góry nogami". Przez dławice będą wyprowadzone
przewody pomiarowe i zasilające.
Zastanawiam się czy konsola z wyświetlaczem ma być wykonana w wersji
IP64 czy wystarczy zwykła obudowa kroploszczelna. To jest jeszcze do
ustalenia. Nie wiem gdzie ewentualnie będzie ten display montowany. We
wnętrzu kajuty, czy może gdzieś indziej? (to jest pytanie głównie do
pana Tadeusza)
Teraz następny dość żmudny etap - pisanie oprogramowania i testy. Ile potrwa ten etap naprawdę nie wiem. Zapewne parę następnych tygodni. To
jest trudne do oszacowania. Postaram się zrobić jak najszybciej, ale muszę też zrobić to w miarę dokładnie. Zwłaszcza, że będę pisał oprogramowanie
na dwa mikroprocesory i konfigurator na PC'ta.
--
Pozdrawiam
Jerzy Hetmański / HeJ