REGULATOR NAPIĘCIA ALTERNATORA
Tadeusz Lis zwabił do SSI kolejnego fachowca - Krzysztofa Putona. Witam Krzysztofa z czapką w ręku w progu SSI. Marek Zwierz  zazartował, że SSI zapatrzył się juz nie tylko w "Practical Boat Owner", ale nawet na "Palsteka". Chciałbym, chciałbym, ale to od Was - Drodzy Współpracownicy wszystko zależy. Tadeusz ocenił, ze poniżej zamieszczony artykuł Krzysztofa to wyrafinowana fubkcjonalnośc z prostotą. To mnie jednak znowu wbija w kompleks. A tak niedawno Marian Lenz powiedział, że jestem nieukiem, bo nie wykazałem się odpowiednią wiedzą o Wojnie Galicyjskiej.
Dość zartów !
Żyjcie wiecznie !
Don Jorge
----------------------
PS. newsik o targach "Wiatr i Woda" - wieczorem. Cierpliwosci !
___________________________
Drogi Don Jorge!
Oto długo oczekiwany tekst Krzyśka Putona na temat regulatora alternatora na jacht. Ma wszystkie cechy ideału, który opisałem w artykułach + kompletny
opis jak go wykonać w warunkach amatorskich. Jest 12 razy tańszy niż jego odpowiednik od Balmara.
Napisany jest bardzo precyzyjnym językiem. Jak go powiesisz napiszę komentarza ludzkim głosem. Żre mnie zazdrość, że można wymyśleć wyrafinowaną
funkcjonalność z taką prostotą.
Pozdrawiam.
Tadeusz Lis
------------------------------------------------------------------------------
REGULATOR NAPIĘCIA ALTERNATORA.
Przywołany do tablicy chciałbym przedstawić stosunkowo prosty regulator napięcia alternatora realizujący jednak – przy swojej prostocie – kilka niezbędnych naszym zdaniem cech o których już Tadeusz wspominał w swoich wcześniejszych artykułach.
1)      Regulator umożliwia zdalne wyłączenie ładowania.
2)      Ładowanie załączane jest po upływie kilku (5-8) sekund po uruchomieniu silnika.
3)      Napięcie regulacyjne pobierane jest bezpośrednio z zacisku (+) akumulatora.
4)      Napięcie końcowe ładowania możemy regulować w zakresie 13-18V.
 
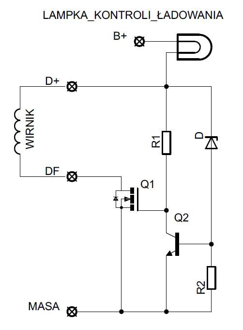
ZASADA DZIAŁANIA.
Schemat regulatora oparty jest o standardowe rozwiązanie regulatora dwupunktowego (załącz-wyłącz) dość dobrze opisane na http://www.autofelicia.republika.pl/alternreg.html
 
Rys.1 Uproszczony schemat regulatora.
W momencie startu do obwodu regulatora podawane jest napięcie poprzez lampkę ładowania i zacisk D+ alternatora. Tranzystor Q2 pozostaje zatkany a Q1 (poprzez podciągnięcie bramki rezystorem R1) pozostaje nasycony umożliwiając przepływ prądu w obwodzie wirnika. Narastający prąd wirnika powoduje sukcesywny wzrost napięcia generowanego przez alternator na zaciskach B+ i D+. Po przekroczeniu napięcia granicznego diody Zenera  D przez tę diodę popłynie prąd do obwodu bazy tranzystora Q2 powodując jego nasycenie. Nasycenie tranzystora Q2 powoduje uziemienie bramki tranzystora Q1, zatkanie go i przerwanie obwodu wzbudzenia. Napięcie na alternatorze zacznie spadać do momentu przekroczenia progu zadziałania diody D. Obniżenie napięcia D+ poniżej tego progu spowoduje przerwanie dopływu prądu do obwodu bazy tranzystora Q2 i jego zatkanie. Zatkanie tranzystora Q2 spowoduje (poprzez rezystor R1) nasycenie tranzystora Q1 a co za tym idzie przepływ prądu w obwodzie wzbudzenia alternatora i wzrost napięcia na zaciskach B+ i D+ aż do momentu zadziałania diody D.
Opisane zjawisko będzie występować cyklicznie powodując oscylacje napięcia generowanego przez alternator wokół napięcia regulacji określonego (w dużym skrócie) przez parametry diody D.
 
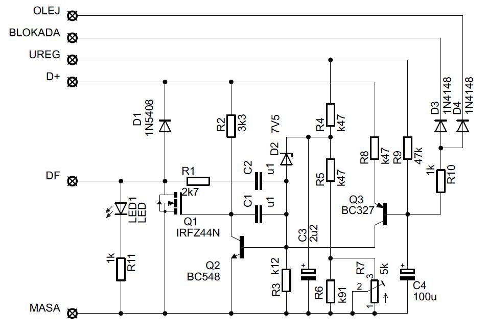
Rys.2 Schemat ideowy regulatora
W naszym przypadku do standardowego rozwiązania dołożone zostały układy:
1)      Płynnej regulacji końcowego napięcia ładowania (R4,R5,R6,R7).
2)      Opóźnienia załączenia wzbudzenia (R8,Q3,R9,C4,R10,D4).
3)      Zdalnego wyłączania wzbudzenia (R8,Q3,R10,D3).
4)      Zdalnego pomiaru napięcia na akumulatorze (dzielnik R4,R5,R6,R7 przyłączony został do zacisku (+) akumulatora zamiast do D+ alternatora.
5)      Sygnalizacji załączenia regulatora LED1,R11.
 
W stosunku do podstawowego układu istotną zmianą jest wprowadzenie dodatkowego wyłącznika zrealizowanego na tranzystorze Q3. Układ działa w ten sposób, że zwarcie do masy jednego z zacisków BLOKADA  lub OLEJ powoduje rozładowanie kondensatora C4 i nasycenie tranzystora Q3. Przepływ prądu w obwodzie R8, Q3, R3 spowoduje nasycenie tranzystora Q2, uziemienie bramki tranzystora Q1 i przerwanie obwodu wzbudzenia alternatora. Odłączenie od masy OBU zacisków BLOKADA i OLEJ spowoduje ładowanie kondensatora C4 przez rezystor R9. Po kilku sekundach, gdy napięcie na C4 odpowiednio wzrośnie tranzystor Q3 zostanie zatkany. Przerwie to dopływ prądu do obwodu bazy Q2 i zatkanie także jego. Tranzystor Q1 zostanie nasycony i popłynie prąd w obwodzie wzbudzenia alternatora.
Rozpocznie się cykliczne załączanie/wyłączanie wzbudzenia zgodnie z zasadą opisana wcześniej.
 
Zdalny pomiar napięcia akumulatora umożliwia nam stosowanie najtańszego separatora diodowego. Akumulator naładowany zostanie do napięcia ustawionego trymerem R7.
Układ jest zabezpieczony przed przypadkowym przerwaniem przewodu Ureg łączącego regulator z akumulatorem. Po jego przypadkowym przerwaniu C4 rozładuje się przez R9,R4,R5,R6,R7 powodując nasycenie tranzystora Q3 i przerwanie obwodu wzbudzenia alternatora.
 
WYKONANIE.
Regulator został zmontowany na płytce montażowej z laminatu epoksydowo-szklanego 71x28mm
i umieszczony  w szczelnej (IP66) aluminiowej obudowie typu BS37MF o wymiarach 89x35x30mm.
 
Rys.3. Płytka montażowa widok mozaiki od strony lutowania.
 
 
Rys.4.  Rozmieszczenie elementów na płytce montażowej.
 
 
 
 
Rys.5 Obudowa BS37MF (zdjęcie ze strony www.piekarz.pl ).
 
Rys.6 Zmontowany regulator.
 
REGULACJA
Po zmontowaniu należy sprawdzić poprawność montażu i wyregulować pożądane napięcie końcowe ładowania (najwłaściwszym źródłem tego parametru będzie karta katalogowa stosowanego akumulatora). Regulator należy podłączyć do regulowanego zasilacza zgodnie z poniższym schematem.
 
 
Rys.7 Schemat układu ustawiania napięcia końcowego ładowania.
 
Na zasilaczu ustawiamy pożądane napięcie i trymerem R7 doprowadzamy do zapalenia/zgaszenia diody LED (zgaszenia/zapalenia pomocniczej żarówki symulującej nam wirnik alternatora).
Następnie obniżamy napięcie na zasilaczu tak by zgasła dioda LED (zapaliła się żarówka pomocnicza) i kolejno zwieramy do masy wejścia BLOKADA i OLEJ. Zawarcie któregokolwiek z wejść do masy powinno spowodować zgaszenie żarówki pomocniczej. Po odłączeniu danego wejścia od masy, po kilku sekundach (czas ten możemy regulować wartością kondensatora C4 – im większa pojemność tym czas dłuższy) powinna zapalić się żarówka pomocnicza.
Podobnie należy skontrolować zachowanie układu przy przerwaniu połączenia pomiędzy regulatorem a akumulatorem.
Po odłączeniu zacisku UREG od zasilacza żarówka powinna zgasnąć, po ponownym przyłączeniu UREG (po kilku sekundach od przyłączenia) powinna się zapalić.
 
Jeżeli próby przebiegły pomyślnie płytkę pokrywamy warstwą lakieru dla zabezpieczenia połączeń lutowanych przed wilgocią a regulator jest gotowy do pracy.
 
 
INSTALACJA.
Regulator należy włączyć do instalacji jachtu zgodnie z poniższym schematem.
 
 
Rys.8  Podłączenie regulatora do instalacji.
 

PRZERÓBKA ALTERNATORA.
Zaproponowany układ wymaga wyprowadzenia z alternatora zacisku obwodu wzbudzenia standardowo oznaczanego DF. W zacisk ten wyposażone są wszystkie alternatory przystosowane do pracy z zewnętrznym regulatorem. Niestety znaczna część nowoczesnych alternatorów samochodowych wyposażona jest w integralne, scalone regulatory umieszczone w ich konstrukcji.
Na przykładzie bardzo popularnego regulatora firmy BOSCH opiszę sposób przystosowania takiego alternatora do współpracy z naszym regulatorem.
Po pierwsze musimy usunąć istniejący układ stałego regulatora. Rozwiercamy mosiężne nity mocujące regulator i DELIKATNIE (plastikowy korpus jest z reguły kruchy) odcinamy nóżki regulatora
 
Rys.9 Usunięcie starego regulatora.
 
Rys.10 Korpus ze szczotkami po usunięciu regulatora.
 
Po oczyszczeniu i pocynowaniu końcówek lutujemy do nich trzy przewody o przekroju co najmniej 1,5mm2 – MASA, D+ i DF. Luty zabezpieczamy warstwą lakieru lub żywicy epoksydowej (ostrożnie by nie pobrudzić szczotek).
Przygotowany zespół szczotek montujemy do alternatora w miejsce standardowego regulatora.
 
Rys.11 Przygotowany do montażu zespół szczotek.
 
KOSZT
- płytka montażowa – ok. 25 zł (zamówiona w prototypowni)
- obudowa BS37MF – ok. 18 zł
- części elektroniczne – ok. 20 zł (albo przegląd szuflad znajomego elektronika – na pewno będzie miał wszystko)
- regulator do przeróbki – od kilkunastu do kilkudziesięciu zł (nie warto kupować markowych regulatorów za 100-200 zł bo potrzebne nam będą jedynie korpus i szczotki).
 
PODSUMOWANIE
Niewątpliwą zaletą zaproponowanego układu jest jego prostota. Niestety nie jest pozbawiony podstawowej wady regulatorów stałonapięciowych tj. całkowitego braku kontroli nad prądem ładowania poszczególnych akumulatorów. O ile przy zastosowaniu do ładowania pojedynczego akumulatora nie jest to bardzo istotne, o tyle przy ładowaniu banku różnych (oraz z reguły w różnym stanie) akumulatorów może to doprowadzić do zagotowania najsłabszego z akumulatorów (mamy przecież tylko jeden punkt pomiaru napięcia, albo ustawimy niskie napięcie ładowania nie wykorzystując pełnych możliwości lepszego akumulatora, albo ustawimy je wyżej w pełni ładując lepszy akumulator ale ryzykując zagotowanie słabszego). Wymaga to – szczególnie podczas dłuższych przelotów na silniku – kontrolowania temperatury i stopnia naładowania poszczególnych akumulatorów.
 
Wady tej pozbawiona będzie następna konstrukcja zamieniająca nasz alternator w ładowarkę o charakterystyce CC/CV (najpierw ładowanie stałym prądem, potem stałym napięciem). Regulator ten będzie kontrolował napięcia i prądy ładowania w dwóch niezależnych gałęziach (dwa banki akumulatorów).
Parametry ładowania będą dobierane automatycznie do nastawionych niezależnie dla obu banków prądów ładowania i końcowego napięcia ładowania (nastawa napięcia będzie wspólna dla obu banków).
Umożliwi to bezpieczne ładowanie z alternatora np. akumulatorów AGM, żelowych a nawet trakcyjnych baterii NiCd (nie pozwoli jednak na jednoczesne ładowanie baterii kwasowych i zasadowych – różnice są zbyt duże).
 
Niestety – jak to w przyrodzie bywa – konstrukcja nie będzie już tak prosta.
 
POWODZENIA.
 
Don Jorge, żyj wiecznie!
 
Krzysztof Puton
----------------------------------------------
Ilustracja do komentarza z dnia 04 marca 2013
 
Komentarze
Zainteresowanie artykułem K. Putona w Sztokholmie Mikolaj Frisch z dnia: 2013-03-04 14:01:00
komentarz Tadeusza Tadeusz Lis z dnia: 2013-03-04 14:59:00
Generalnie byłbym ostrożny Krzysztof Puton z dnia: 2013-03-04 18:50:00
OK, ale czy ten czujnik termiczny ma odpowiednią histerezę Tadeusz Lis z dnia: 2013-03-06 11:20:00
Idealny termostat 45/35 stopni. Krzysztof Puton z dnia: 2013-03-06 15:01:00