ABY OLEJ W SAIL-DRIVE
Pod newsem o silnikach, które jednak można zmusić do pracy - pojawił się temat wymiany olejów przekładniowych. Tadeusz Lis wyjaśnił dlaczego nie należy być nadgorliwym przy pielęgnacji normalnych rewersów. Po prostu - wodzie trudno się tam dostać. Zasadniczo inaczej sprawa ma się z przekładniami s-drive oraz w spodzinach silników zaburtowych.
Woda, której tam dostać się jest łatwiej - tworzy z olejem emulsję wyglądem przypominającym mydło. To bardzo marne smarowidło.
Dlatego godnym przeczytana jest opis Tadeusza, jak tej wodzie penetrację utrudnić.
Zyjcie wiecznie !
Don Jorge
-------------------------------
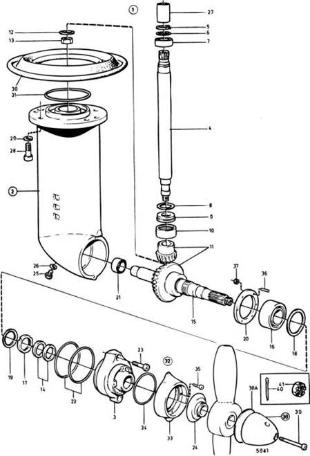
Zapewnienie szczelności Sail-Driva to nie jest rocket-technology. Po sezonie wydrukujecie sobie ten rysunek w dużej rozdzielczości. Następnie według listy stąd http://shop.bootsmotoren.de/Volvo-Penta-Saildrives-Online-Ersatzteilkatalog-7742100-44-44.html wybierzcie wszystkie elementy które mają w nazwie DICHTUNG lub O-RING.

Rozbierzcie przekładnie fotografując to, co robicie krok po kroku. Może tym razem przy składaniu nie zostanie Wam zbyt wiele części?
Wymontowane części zapakujcie w torebkę i pójdźcie do zaufanego sklepu z uszczelnieniami. Jeżeli go nie macie, to zadzwońcie do Warszawy tutaj http://www.jmblozyska.pl/
Powołajcie się na mnie - informując sprzedawcę, że te elementy uszczelniają napęd jachtu morskiego.
Całość według moich szacunków, to maksimum 30-45 zł.
Przed montażem wypolerujcie na tokarce przylgnie na wałku nr 16. Jeżeli nie macie dostępu do tokarki – to mocujecie wałek w szczękach wiertarki (od tyłu) osadzonej w imadle (lub w wiertrce kolumnowej). Polerujecie papierem 2000 na mokro. Potem filcem. Gładź ma być taka, że możecie zobaczyć odbicie pojedynczych włosów Waszego zarostu – to nie trwa długo. Ale nie wywierajcie zbyt dużego nacisku. Wtedy szlifowanie jest skuteczniejsze.
Każdy simmering przed złożeniem posmarujecie towotem – i uważajcie, aby wpychając ich osadę na wałek nie podwinąć wargi simmeringu (żadnych podważań i poprawiań śrubokrętem!).
Czasami warga starego simmeringu wygląda jak pocięta żyletką. Zazwyczaj powoduje to cienka żyłka wędkarska, która nawinęła się na wałek. Trzeba uważać.
W Sail-Drive ciężko jest odkręcić wkręty dolne – jeżeli nie macie zamrażacza do usuwania gumy do żucia z dywanów, o którym pisałem wcześniej, to użyjcie sprężonego gazu do czyszczenia komputera (uwaga na otwarty ogień – to jest mieszanka propanu butanu!). 800 ml. kosztuje około 10 zł. Starcza na długo. Poddaje się każdy wkręt. UWAGA NA ODMROŻENIA – PRACUJECIE W RĘKAWICACH WARSZTATOWYCH.
Pozdrawiam.
T.L.
Komentarze
Brak komentarzy do artykułu